Small load ultra-high cost performance, seven-axis simple co-robot is on the market!
Date:2020-04-22
To meet the different demands of the market for robotic armload, Techrobots has launched a co-robot with a small load of 1.5 kg, with excellent performance, high intelligence, and high-cost performance.
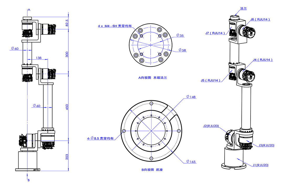
Simple co-robot is a new seven-axis co-robot developed and produced by Techrobots. It is assembled from a new RJU series joint modules without shell, which is mainly aimed at commercial and various life service applications.
For using the new shell RJU series joint modules assembled joints of simple co-robot, but also gives a simple and easy co-robot more broad application space, of a series of RJU joint modules features, according to a different environment and working environment of redesign module shell, the definition of ontology, to assemble a new mechanical arm, and even enhance protection grade, applied to the more complicated work environment.
The simple co-robot is not only a mechanical arm but also a robot arm that can be upgraded according to the actual needs of customers and applied to a broader working field.

Simple co-robot is a new seven-axis co-robot developed and produced by Techrobots. It is assembled from a new RJU series joint modules without shell, which is mainly aimed at commercial and various life service applications.
For using the new shell RJU series joint modules assembled joints of simple co-robot, but also gives a simple and easy co-robot more broad application space, of a series of RJU joint modules features, according to a different environment and working environment of redesign module shell, the definition of ontology, to assemble a new mechanical arm, and even enhance protection grade, applied to the more complicated work environment.
The simple co-robot is not only a mechanical arm but also a robot arm that can be upgraded according to the actual needs of customers and applied to a broader working field.
